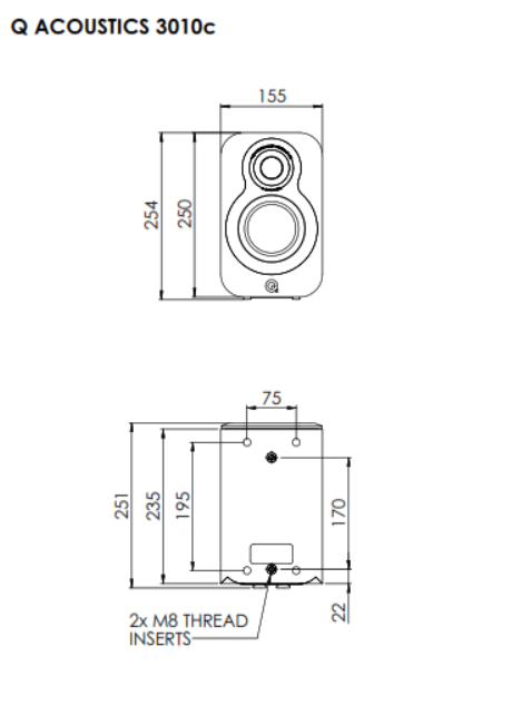
3000c - Q. What are the dimensions of the 3010c?

3000c - Q. What are the dimensions of the 3010c?

Answer: Dimensions shown in mm


    • Related Articles

    • 3000 - User manual - Q 3000 Series Passive Loudspeaker range.

      Instructions for the setup, use and care of your Q Acoustics Q 3000 passive loudspeakers. Note: Unauthorised redistribution, publication online or otherwise of the attached documentation and images are protected under copyright.
    • Concept - The Brochure covering the range.

      Please find attached a brochure covering all current Concept models as at Q4 2022. Note: Unauthorised redistribution, publication online or otherwise of the attached documentation and images are protected under copyright.
    • 3000i - User Manual - Q 3000i Series Passive Loudspeakers

      Instructions for the setup, use and care of your Q Acoustics Q 3000i passive loudspeakers. Note: Unauthorised redistribution, publication online or otherwise of the attached documentation and images are protected under copyright.
    • 2000i - User Manual - Q 2000i Series.

      Instructions for the setup, use and care of your Q Acoustics Q 2000i loudspeakers. Note: Unauthorised redistribution, publication online or otherwise of the attached documentation and images are protected under copyright.
    • Q Acoustics Q B12 Active Subwoofer User Manual

      Attached are the instructions for the setup, use and care of your Q Acoustics Q B12 Active Subwoofer. Note: Unauthorised redistribution, publication online or otherwise of the attached documentation and images are protected under copyright.